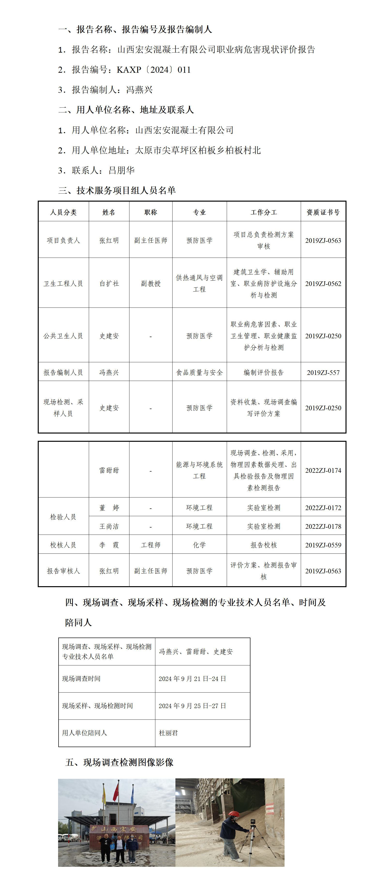
Image
Image
Image
Image

山西宏安混凝土有限公司职业病危害现状评价报告


编辑:2024-11-01 15:48:06

902267

山西宏安混凝土有限公司职业病危害现状评价报告


编辑:2024-11-01 15:48:06

902267

Copyright © 2014LCKEJ.com All Rights Reserved.版权所有:山西康标安环科技股份有限公司 备案号:晋ICP备2020008807号-1  
公司地址:山西综改示范区太原唐槐园区唐槐路6号南楼一层 电话:0351-7031058    传真:0351-7031058  邮编:030032  公司邮箱:sxkbahjc@163.com