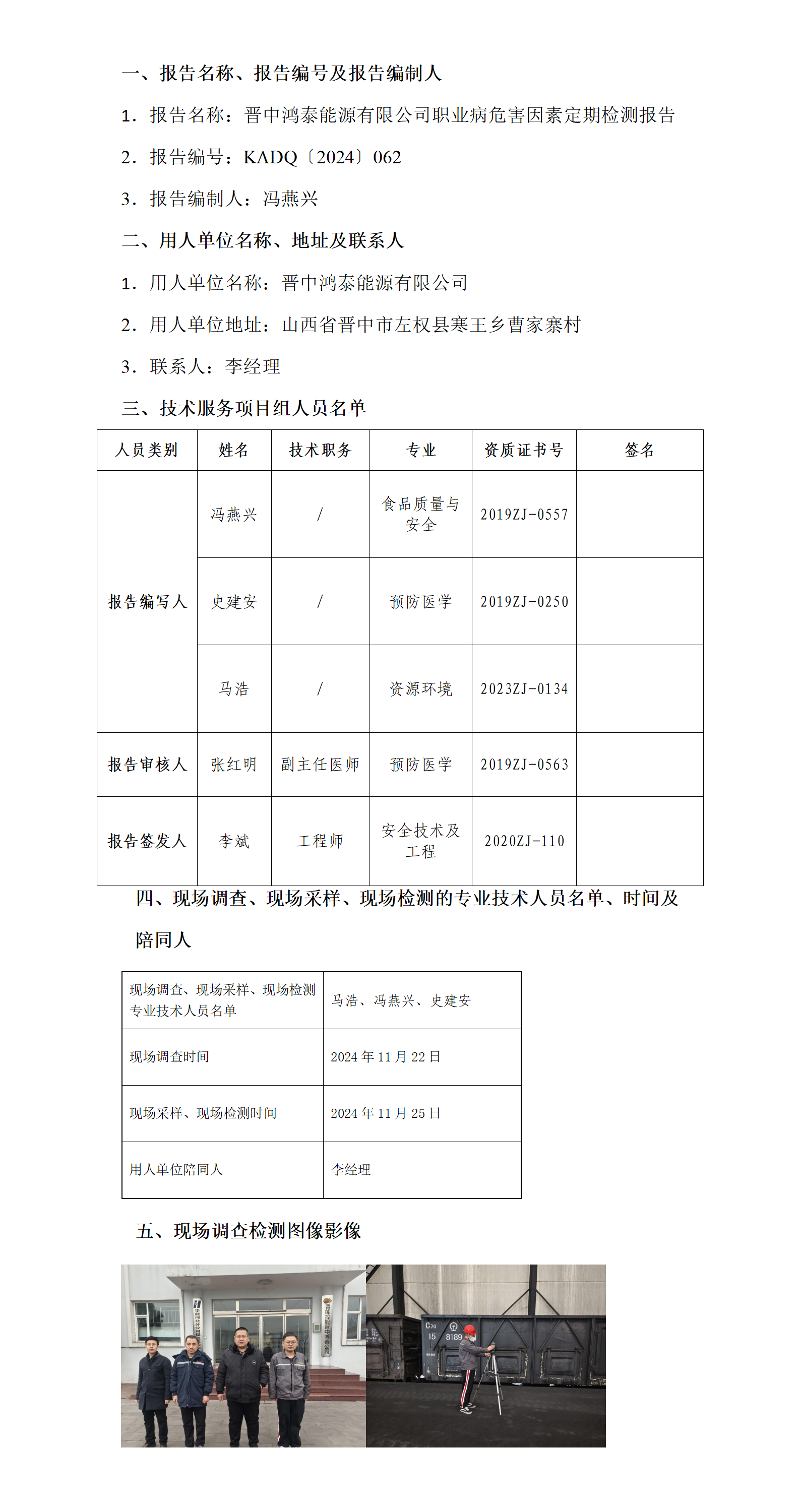
Image
Image
Image
Image

晋中鸿泰能源有限公司职业病危害因素定期检测报告


编辑:2024-12-28 09:06:06

晋中鸿泰能源有限公司职业病危害因素定期检测报告


编辑:2024-12-28 09:06:06

Copyright © 2014LCKEJ.com All Rights Reserved.版权所有:山西康标安环科技股份有限公司 备案号:晋ICP备2020008807号-1  
公司地址:山西综改示范区太原唐槐园区唐槐路6号南楼一层 电话:0351-7031058    传真:0351-7031058  邮编:030032  公司邮箱:sxkbahjc@163.com