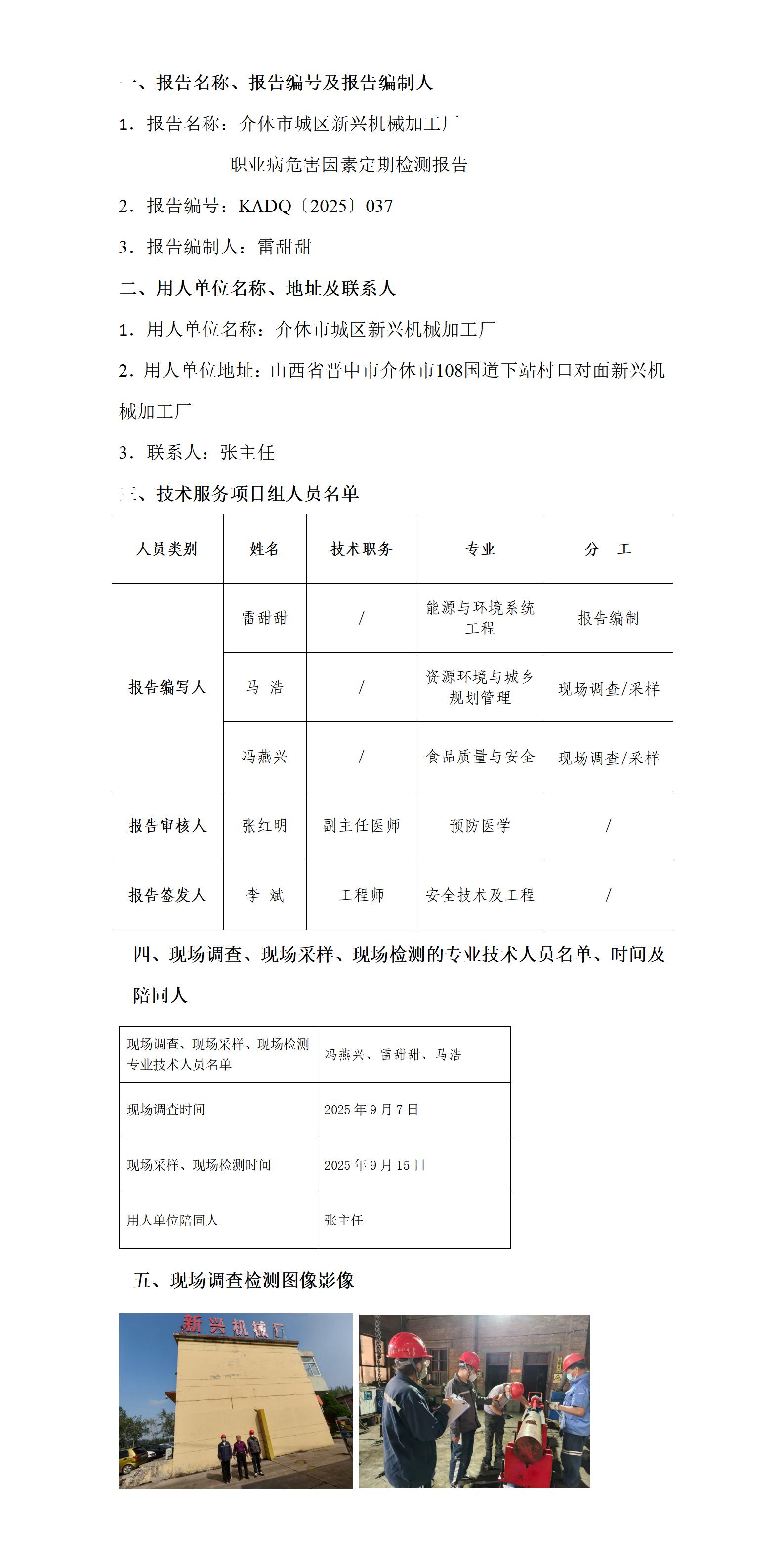
Image
Image
Image
Image

介休市城区新兴机械加工厂


编辑:2025-10-24 09:02:02

介休市城区新兴机械加工厂


编辑:2025-10-24 09:02:02

Copyright © 2014LCKEJ.com All Rights Reserved.版权所有:山西康标安环科技股份有限公司 备案号:晋ICP备2020008807号-1  
公司地址:山西综改示范区太原唐槐园区唐槐路6号南楼一层 电话:0351-7031058    传真:0351-7031058  邮编:030032  公司邮箱:sxkbahjc@163.com